DW无底斗
材质:高密度聚乙烯/高抗冲尼龙
农用DW无底斗安装是由一连串紧密相连的无底斗和一个有底斗接尾组成。节省了传统斗型斗与斗之间的空间,无底斗型利用了连续不断的空间来提升物料,从而达到大大提高产能的目的。



备注1:上述三个畚斗规格的无底斗侧板如图一所示为加长设计,侧板可以相互嵌套,阻止相邻两斗之间的侧面漏料



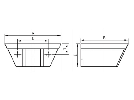
备注2:上述四个规格无底斗的斗型如图二所示



备注3:上述三个加“▲"的规格如图三所示,专为欧盟市场开发,畚斗安装孔处为凹型圆坑状,故孔距及孔径均不可调整

备注4:上述四个规格如图三所示,专为南美市场开发,畚斗安装孔处为凹型圆坑状,故孔距及孔径均不可调整